
廂式、板框式美女裸体无遮挡在线观看茄子视频是懸浮液固、液兩相分離的理想設備。該係列美女裸体无遮挡在线观看茄子视频為板框式手動或千斤頂壓緊機型。濾板尺寸315mm×280mm 至650mm×650mm,壓緊方式:S 為手動螺杆型。J 為手動千斤頂型。機器結構簡便,操作易行。該係列美女裸体无遮挡在线观看茄子视频機型較小,壓緊、卸料均為手動操作.美女裸体无遮挡在线观看茄子视频有明流,暗流之分,它們各自又有濾餅的可洗式和不可洗式。
該係列美女裸体无遮挡在线观看茄子视频主要規格有: BAMSJ2~6/420-UBK-Ⅰ;
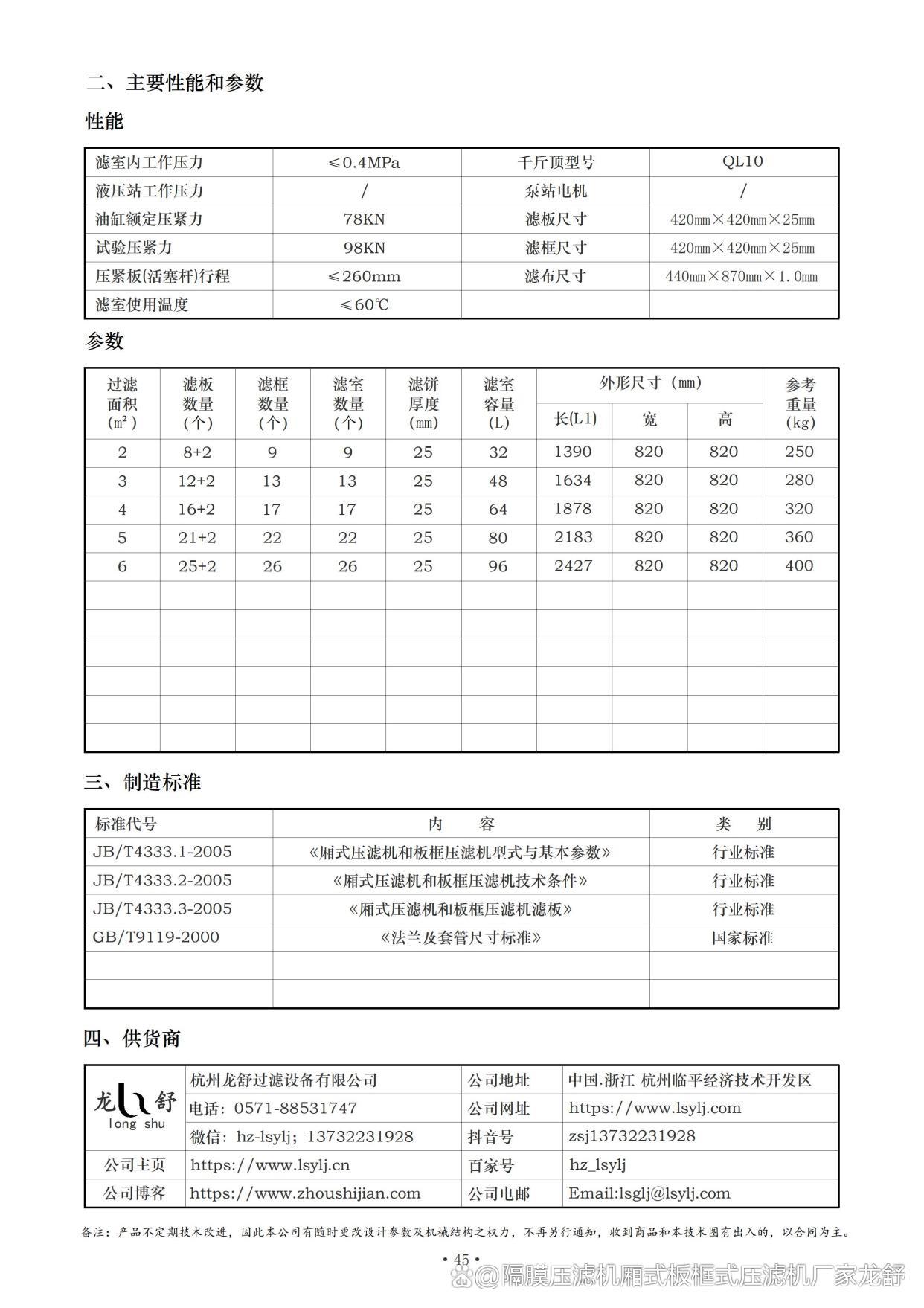
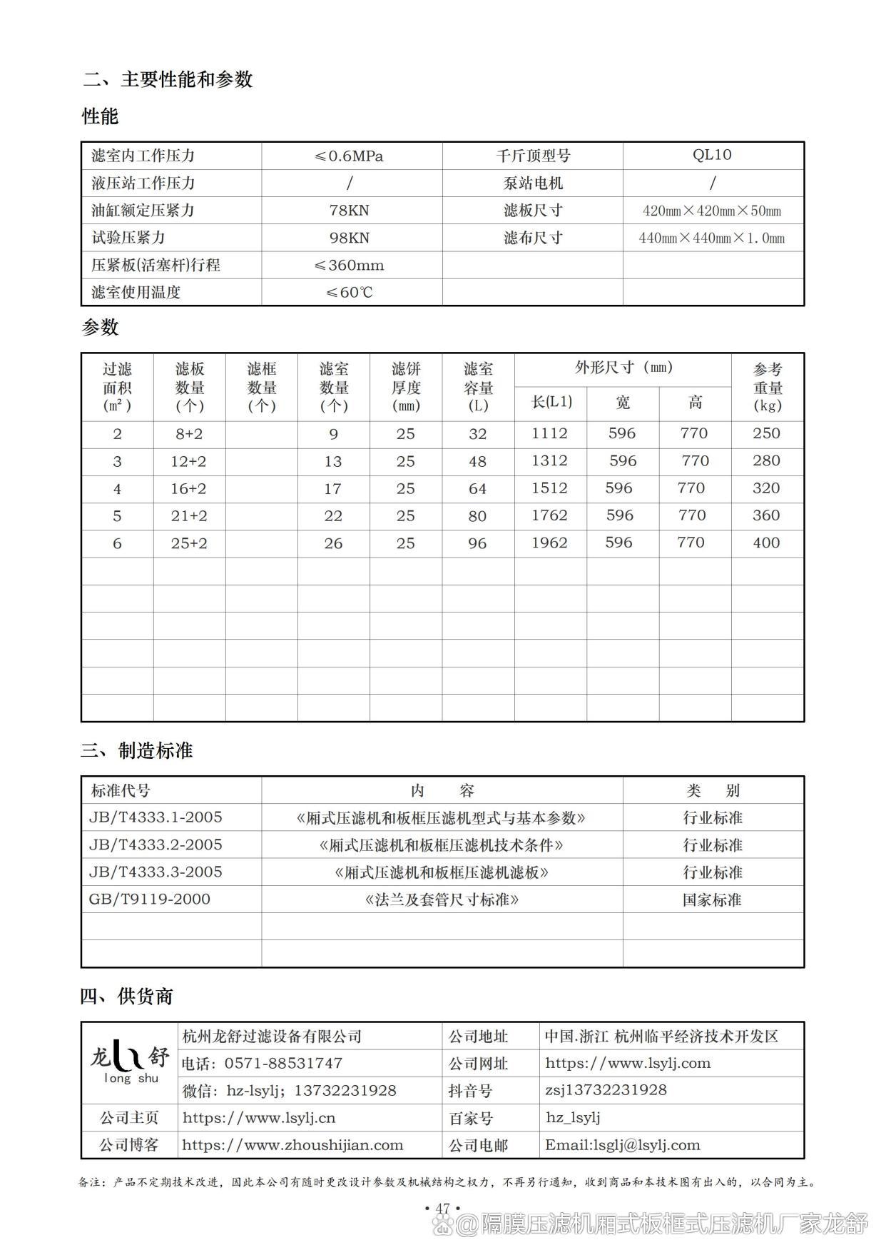
技術性能
過濾壓力 | ≤0.6 MPa |
壓緊力 | ≤76 KN |
壓緊板行程 | ≤260 mm |
使用溫度 | ≤100℃ |
主要技術參數
過濾麵積 m2 | 濾板數量 (塊) | 濾室 數量 (個) | 濾餅 厚度 mm | 濾室 容積 L | 外形尺寸 mm | 機器 質量 t | 進料管孔 直徑 mm | 出液孔直徑 | |||
濾框 | 濾板 | 長 | 寬 | 高 | |||||||
2 | 9 | 8 | 9 | 30 | 31 | 1497 | 704 | 795 | 0.47 | 25 | 25 |
3 | 13 | 12 | 13 | 45 | 1741 | 0.50 | |||||
4 | 17 | 16 | 17 | 59 | 1985 | 0.54 | |||||
5 | 22 | 21 | 22 | 76 | 2290 | 0.58 | |||||
6 | 26 | 25 | 26 | 90 | 2534 | 0.62 | |||||
基礎尺寸
過濾麵積(m2) | 尺寸L1(mm) | 過濾麵積(m2)m2 | 尺寸L1(mm) |
2 | 1127 | 5 | 1920 |
3 | 1371 | 6 | 2164 |
4 | 1615 |
下麵介紹一些BSJ2~6/420 - U係列小型板框美女裸体无遮挡在线观看茄子视频”的資料及相關信息,供你參考。
一、工作原理
壓緊過程:濾板以疊合方式放置,通過液壓係統壓緊板框,形成密封的過濾室。
過濾過程:懸浮液加入過濾室,在壓力作用下,液體通過濾布排出,固體顆粒被截留,在濾布上逐漸堆積形成濾餅。
洗滌過程:洗滌液進入過濾室,接觸濾餅後排出,可清洗濾餅表麵的殘留物。
卸料過程:壓緊機構鬆開,通過振動、敲擊等方式使濾餅卸下。
二、結構特點
濾板和濾框:通常采用增強聚丙烯等材料模壓而成,具有強度高、重量輕、耐腐蝕、耐酸堿、無毒無味等特點。濾板表麵有溝槽,用於支撐濾布和排出濾液,濾框和濾板邊角上的通孔組裝後構成懸浮液、洗滌水的通道和濾液的引出通道。
壓緊機構:一般采用液壓驅動,通過油缸推動壓緊板,使濾板和濾框緊密貼合,提供過濾所需的壓力。
過濾介質:通常為濾布,需要具備高強度和良好的透氣性,能有效截留固體顆粒,同時允許液體通過。
其他部件:還包括機架部分,用於支撐和固定濾板、濾框等部件;進料係統,用於將待過濾的物料輸送到過濾室;控製係統,可實現對整個壓濾過程的自動化控製,如壓緊、進料、洗滌、卸料等操作的順序控製和參數調節。




三、 性能參數
過濾麵積:小型板框美女裸体无遮挡在线观看茄子视频的過濾麵積一般較小,常見的有幾平方米到幾十平方米不等,可根據實際生產需求選擇合適的型號。
過濾壓力:一般操作壓力在0.3 - 1.6兆帕之間,特殊情況下可達3兆帕或更高,具體壓力範圍根據設備型號和應用場景有所不同。
濾室容積:決定了每次過濾所能處理的物料量,小型設備的濾室容積通常在幾十升到幾百升之間。
處理能力:因設備的過濾麵積、濾室容積、過濾壓力以及物料性質等因素而異,一般適用於小規模生產或實驗室使用,處理量相對較小。四、應用領域
化工行業:用於有機酸、堿生產,化纖、玻璃纖維製造,炭黑、鉀肥等化工產品加工過程中的固液分離。
冶金行業:在精煉、冶煉過程中,用於鐵水、鋁水、銅水等懸浮液的過濾,去除雜質。
製藥行業:用於藥品生產過程中的過濾,確保藥品的質量和安全性。
食品行業:可用於乳品、飲料、糖果生產,以及醬油、醋、調味品等食品的過濾,提升食品的口感和品質。
環保領域:在小型汙水廠中,用於汙泥脫水處理,將汙泥含水率降低,便於後續的運輸和處理。





本網站上展示的產品僅用於工業上的汙水固、液分離,由於產品的專業性和專用性,每件商品的具體性能和使用方法均不盡相同,頁麵上的描述僅供參考,並不適用於每個具體商品,您在決定購買之前,務必事前(老板電話13732231928)溝通。謝謝您的理解和支持!(本站僅用於產品展示,不接受線上交易)

